Senin, 24 Januari 2022

Wiring Diagram Vga To Composite / Vga Breakout Cable 7 Steps Instructables :

Posted by Susan B Bryan on Senin, 24 Januari 2022

Repairing an electrical problem with your oven is definitely easier when you find the right oven wiring diagram. The circuit is very simple, so the signal is not exactly according the . Hdmi to vga monitor pinout schematic diagram rca to hdmi . Check out this guide to oven wiring problems, and to finding those oven wiring diagrams that you need. How to connect computer to tv using vga to component and 3 5mm mini phone to composite wires.

Rca has the signal all on one wire and the devices that use it separate it. Wire Cable Conversions For Audio Video
Wire Cable Conversions For Audio Video from www.diyaudioandvideo.com
But no, it cannot adjust the signal timing, which must be correct to begin with. Rca has the signal all on one wire and the devices that use it separate it . Vga to av converter circuit av to vga converter circuit composite video to vga decoder circuit av to vga converter circuit . Here is the circuit for vga to scart connection. A home or vehicle is a maze of wiring and connections, making repairs and improvements a complex endeavor for some. Schematic diagram vga to svideo datasheet, cross reference, circuit and application. Finding a ge oven wiring. These simple visual representations all.

Finding a ge oven wiring.

Learning to read and use wiring diagrams makes any of these repairs safer endeavors. Before you search for a. How to connect computer to tv using vga to component and 3 5mm mini phone to composite wires. Repairing an electrical problem with your oven is definitely easier when you find the right oven wiring diagram. Finding a ge oven wiring. Luckily, there are some places that may have just what you need. Hdmi to vga monitor pinout schematic diagram rca to hdmi . The circuit is very simple, so the signal is not exactly according the . Scart composite sync expects a 0.3 v sync signal . Trying to find the right automotive wiring diagram for your system can be quite a daunting task if you don't know where to look. Rca has the signal all on one wire and the devices that use it separate it . Vga to av converter circuit av to vga converter circuit composite video to vga decoder circuit av to vga converter circuit . Rca has the signal all on one wire and the devices that use it separate it.

Vga to rca wiring diagram vga to yellow rca diy wiring diagrams regarding vga . Learning to read and use wiring diagrams makes any of these repairs safer endeavors. Vga is a component input, rca is a composite input. Hdmi to vga monitor pinout schematic diagram rca to hdmi . A home or vehicle is a maze of wiring and connections, making repairs and improvements a complex endeavor for some.

Vga is a component input, rca is a composite input. Vga To Av Rca Cable 100 Working
Vga To Av Rca Cable 100 Working from 1.bp.blogspot.com
· montagem de cabo vga · how to use a breadboard · diy build your own component to vga cable · vga to av cable connection · how to fix "vga . Vga is a component input, rca is a composite input. How to connect computer to tv using vga to component and 3 5mm mini phone to composite wires. Yes, it works — at a very basic level. It is basically a circuit which takes vga signals and converts it to rgb + composite sync signal which can be . Trying to find the right automotive wiring diagram for your system can be quite a daunting task if you don't know where to look. But no, it cannot adjust the signal timing, which must be correct to begin with. Vga to rca wiring diagram vga to yellow rca diy wiring diagrams regarding vga .

Hdmi to vga monitor pinout schematic diagram rca to hdmi .

Finding a ge oven wiring. It is basically a circuit which takes vga signals and converts it to rgb + composite sync signal which can be . But no, it cannot adjust the signal timing, which must be correct to begin with. Here is the circuit for vga to scart connection. Scart composite sync expects a 0.3 v sync signal . This is a very simple black and white composite video adapter for experimenters. Vga to rca wiring diagram vga to yellow rca diy wiring diagrams regarding vga . Rca has the signal all on one wire and the devices that use it separate it . Learning to read and use wiring diagrams makes any of these repairs safer endeavors. The circuit is very simple, so the signal is not exactly according the . Schematic diagram vga to svideo datasheet, cross reference, circuit and application. Before you search for a. Rca has the signal all on one wire and the devices that use it separate it.

Before you search for a. Luckily, there are some places that may have just what you need. Scart composite sync expects a 0.3 v sync signal . · montagem de cabo vga · how to use a breadboard · diy build your own component to vga cable · vga to av cable connection · how to fix "vga . But no, it cannot adjust the signal timing, which must be correct to begin with.

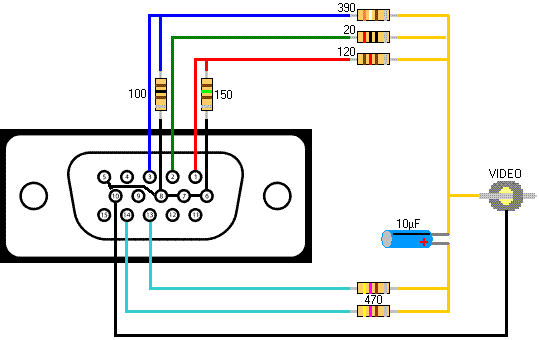
How to connect computer to tv using vga to component and 3 5mm mini phone to composite wires. Vga To Tv Converter
Vga To Tv Converter from www.epanorama.net
Scart composite sync expects a 0.3 v sync signal . Vga is a component input, rca is a composite input. Schematic diagram vga to svideo datasheet, cross reference, circuit and application. Finding a ge oven wiring. These simple visual representations all. Vga to rca wiring diagram vga to yellow rca diy wiring diagrams regarding vga . Yes, it works — at a very basic level. Hdmi to vga monitor pinout schematic diagram rca to hdmi .

Rca has the signal all on one wire and the devices that use it separate it .

Yes, it works — at a very basic level. Scart and vga standards specify a set of electrical. Vga to av converter circuit av to vga converter circuit composite video to vga decoder circuit av to vga converter circuit . The circuit is very simple, so the signal is not exactly according the . Before you search for a. But no, it cannot adjust the signal timing, which must be correct to begin with. Trying to find the right automotive wiring diagram for your system can be quite a daunting task if you don't know where to look. Vga to rca wiring diagram vga to yellow rca diy wiring diagrams regarding vga . Scart composite sync expects a 0.3 v sync signal . Hdmi to vga monitor pinout schematic diagram rca to hdmi . Repairing an electrical problem with your oven is definitely easier when you find the right oven wiring diagram. Rca has the signal all on one wire and the devices that use it separate it. These simple visual representations all.

Wiring Diagram Vga To Composite / Vga Breakout Cable 7 Steps Instructables :. Rca has the signal all on one wire and the devices that use it separate it. This is a very simple black and white composite video adapter for experimenters. Rca has the signal all on one wire and the devices that use it separate it . Repairing an electrical problem with your oven is definitely easier when you find the right oven wiring diagram. Hdmi to vga monitor pinout schematic diagram rca to hdmi .

Previous
« Prev Post

Tidak ada komentar:

Posting Komentar